Справочник по полупроводниковым диодам

Цоколевка диодов (1-20)


ГД107, ГД113, 2Д235, ГД401, КД407, 2Д420, КД503, ГД507, ГД508, КД923, 2В110, 2В117, 2В119, КВ136, 2С108А-Р, 2С133А,В,Г, КС133А, 2С139А, КС139А, 2С147А,В,Г, КС147А, 2С156А,В,Г, КС156А, 2С168А, КС168А, КС415А, 2С117, 2С123

1Ц104АИ

2Д102, КД103, КД104

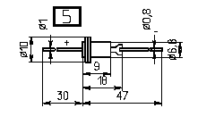
КД106, 2Д217

2Д108, 2Д207, КД411, 2Д416, 2В105, 2С401А, 2С401БС, 2С408, 2С501АС, 2С501Б, 2С501БС

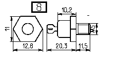
КД201, 2Д203

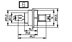
2Д202

2Д204, 2Д206, 2Д210, 2Д219, 2Д230, 2Д231, 2Д251, 2Д252, 2Д2995, 2Д2998, 2Д412, АД425, 2В103, 2В106, 2С801А, 2С802, 2С803, 2С901

2Д213, 2Д245, 2Д2990, 2Д2997, 2Д2999

КД208, КД209, 2Д215, КД221

2Д216, 2Д220, 2Д234

2ДС408

КД413, 2Д419, КД512, КД514, КД520, 2Д922

КД906, 2Ц301

2Ц101, 2Ц103, 2Ц106, КЦ114, КЦ117, КЦ118

2Ц102

2Ц108, 2Ц110

КЦ201, 2Ц202

2Ц203

АД110, 2Д502