Справочник по полупроводниковым диодам

Цоколевка диодов (21-40)

Diop21.gif (1419 bytes)
АД110
Diop22.gif (1257 bytes)
АД112
Diop23.gif (1105 bytes)
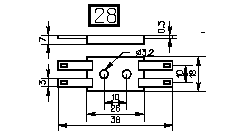
КД401, ГД403, КД504, ГД511, 2Д809

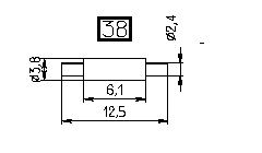
ГД404АР

КД105

КД109

КДС111, КВС111

КД205

2Д212, 2Д228, 2С402А-Г, 2С502А-Н

КД409, КД512-1, КД514-1, КВ109, КВ121, КВ122, КВ123, 2В124, 2В125, КВ127, КВ130, КВ132, 2В133, КВ134, КВ138, КВ142, КВ144-1

КД410

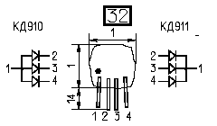
КД910, КД911

КВ128, КВ129, КВ143, КД424, КД509, 2Д510, КД521, 2Д522, КД805, 2Д926, 2Д927А, КС115А, КС121А

КД523А,Б

КД523В,Г

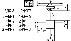
2Д907, 2Д918

2Д908, КД917

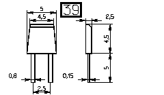
АД516

2Д237, КД513, КД518, КВ139

КД526