Справочник по полупроводниковым диодам

Цоколевка диодов (61-80)


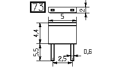
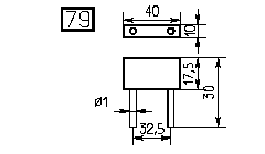
КЦ410

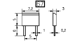
КДС627

КДС628

КД629-С, КД704АС, 2Д706С-9, 2Д707С-9, 2Д803С-9

2ДС807

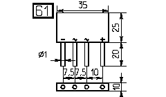
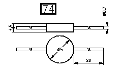
2В118

КД248, КД250, 2Д253, 2В113

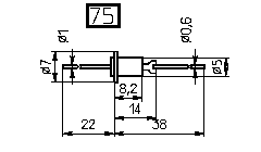
КВ101

КВС120

2В112, 2В114-1

КВ116, КВ140-1

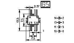
2Д802, КД901, КД904

КВ131, КВ135

2С101

2С107, 2С113, 2С119, 2С190Б-Т, КС190С-Ф, 2С433А, 2С439А, 2С447А, 2С456А, 2С468А, 2С482А, 2С510А, 2С512А, 2С515А, 2С518А, 2С522А, 2С524А, 2С527А, 2С530А, 2С536А, 2С551А, 2С591А, 2С600А, Д818

КС162А, КС168В, КС170А, КС182А, КС191А, КС210Б, КС211И, КС212В, КС213Б, КС533А

2С175Ж,Ц, 2С182Ж,Ц, 2С191Ж,Ц, 2С210Ж,Ц, 2С211Ж,Ц, 2С212Ж,Ц, 2С213Ж, 2С215Ж, 2С218Ж, 2С220Ж, 2С222Ж, 2С224Ж, КС405А, КС406А, КС407А-Д, КС409А, КС412А, КС413Б,  КС508А-Д, КВ146, КС162А-2, КС168В-2, КС175А-2, КС182А-2, КС191А-2, КС210Б-2, КС213Б-2, КС506А

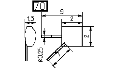
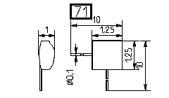
2Д118-1

КЦ105

КЦ109